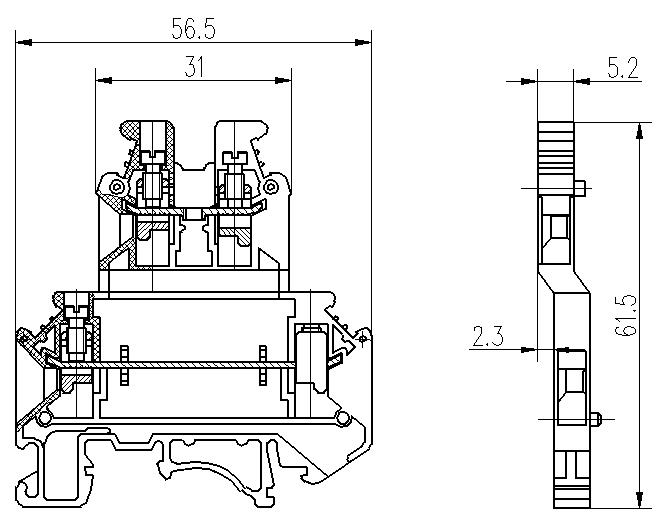
TheSUK-2.5/2-2Double layer screw terminal block ke SIPUN ke tharollo ea likhoele e sebetsang hantle haholo ebile e ts'epahala e fihlelang maemo a machaba a IEC60947-7-1. E etselitsoe ho tsamaisa likhokahano tse sireletsehileng le tse sebetsang hantle, block block ena ke karolo ea bohlokoa bakeng sa lits'ebetso tse fapaneng tsa motlakase.
Likarolo tsa Bohlokoa
Khokahano ea Screw:
SUK-2.5/2-2 terminal block e sebelisa mochine oa ho hokahanya ha screw, ho netefatsa khokahanyo e tsitsitseng le e sireletsehileng bakeng sa li-conductor. E ts'ehetsa mefuta e fapaneng ea 2.5 ho isa ho 4 mm², e etsa hore e khonehe bakeng sa litlhoko tse fapaneng tsa likhoele.
Tumellano le IEC60947-7-1:
Sebaka sena sa terminal se lumellana le maemo a thata a machaba a IEC60947-7-1, a netefatsang maemo a holimo le polokeho.
Mmala:
SUK-2.5 / 2-2 terminal block e tla ka 'mala o moputsoa, e fana ka ponahalo ea setsebi le e ts'oanang ka liphanele tsa motlakase.
Melemo
Khokahano e Bonolo:
Terminal block e lumella likhokahano tse bonolo le tse sebetsang ho sebelisa marokho a bohareng le li-jumpers. Tšobotsi ena e nolofatsa mokhoa oa ho etsa lithapo haholo, e etsa hore e otlolohe le ho senya nako.
Moralo oa ho Boloka Sebaka:
Moralo o nang le mekhahlelo e 'meli oa SUK-2.5/2-2 block block o thusa ho boloka sebaka sa bohlokoa sa wiring. Moralo ona o kopaneng o loketse lits'ebetso moo sebaka se leng teng ka theko e phahameng.
Likhetho tse Fetohang tsa ho Mounting:
SUK-2.5 / 2-2 block block e ka hlongoa liporong tse peli tsa TH35 le G32 DIN, tse fanang ka maemo le ho lumellana le mefuta e fapaneng ea literene. Ho ikamahanya le maemo ho etsa bonnete ba ho kopanya ka mokhoa o se nang moeli ho litsamaiso tse fapaneng tsa motlakase.
Ho tšoaea ka potlako:
The terminal block e ts'ehetsa ho tšoaea kapele le ha bonolo ka ho sebelisa mohala oa lets'oao la ZB. Tšobotsi ena e lumella ho tsebahatsa ka ho hlaka le ho nepahala ha likhokahano, ho ntlafatsa tlhophiso le katleho ea tlhokomelo.
Ka kakaretso, SUK-2.5/2-2 double layer screw terminal block ke SIPUN ke khetho e ntle bakeng sa litsebi tse batlang tharollo e tšepahalang, e bolokang sebaka le e lumellanang le eona. Sistimi ea eona e bonolo ea khokahano, likhetho tse fapaneng tsa ho kenya, le bokhoni ba ho tšoaea kapele li etsa hore e be tlatsetso ea bohlokoa ho seta sefe kapa sefe sa motlakase.
Nako ea poso: Jun-25-2024

